API 6A Type 6BX 2000 PSI Blind & Weld Neck Flanges
Table of Content
- API 6A Flanges Manufacturer | API 6A Type 6BX 2000 Flanges
- API 6A Type 6BX 2000 PSI Blind & Weld Neck Flanges
- API 6A Type 6BX 2000 PSI Blind & Weld Neck Flanges Pressure Rating
- API 6A Type 6BX 2000 PSI Blind & Weld Flanges Grades
- API 6A Type 6BX 2000 PSI Blind & Weld Neck Flanges Specification
- Applications of API 6A Type 6BX 2000 PSI Blind & Weld Neck Flanges
- FAQs
API 6A TYPE 6B 2000 PSI Blind Flanges | API 6A Type 6BX 2000 PSI Blind Flanges| API 6A Type 6BX 2000 Flanges | API 6A TYPE 6B 2000 PSI Weld Neck Flanges | API 6A 2000 PSI WNRF Flange | WNFF API 2000 PSI | API 2000 PSI Weld Neck Flange
API 6A Type 6BX 2000 Flanges Manufacturer
Kalpataru Piping Solution is a leading supplier of API flanges, including the API 6A Type 6BX 2000 PSI Blind & weld neck Flange. We offer a comprehensive range of API 6A flanges, including both Type 6B and 6BX with RTJ connections. Our flanges are available in various pressure ratings from 2000 PSI (13.8 MPa) up to 20000 PSI (138.0 MPa), engineered to meet international quality standards.
Our API 6A Type 6BX 2000 PSI Blind & weld neck Flanges are meticulously crafted to ensure durability and performance in high-pressure applications. These flanges are designed to seal the ends of piping systems or pressure vessel openings, effectively preventing flow. They are ideal for pressure testing and allow easy access for maintenance and inspection.
Kalpataru Piping Solution offers these flanges in a variety of dimensions, tailored to the specific requirements of our clients. We prioritize customer satisfaction by ensuring safe packaging and prompt delivery of all orders. Our high-quality API 6A Blind & weld neck Flanges comply with ASME, ANSI, and DIN standards, making them suitable for a wide range of industrial applications.
Choose Kalpataru Piping Solution for your API 6A flange needs and experience exceptional quality and service.
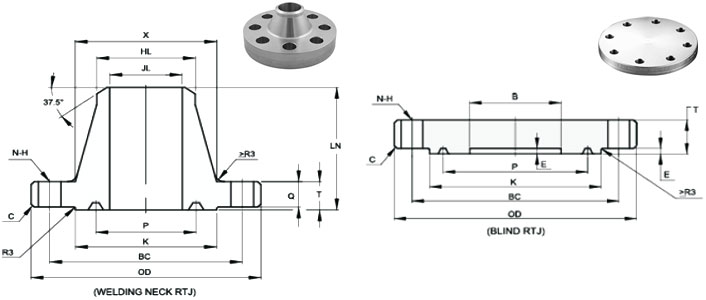
API 6A Type 6BX 2000 PSI Blind & Weld Neck Flanges
|
Size |
OD |
C |
E1 |
G |
K |
T |
J1 |
J4 |
R |
BC |
N |
H |
BX |
|
26 3/4″ |
1040 |
6 |
21.4 |
768.33 |
805 |
126.3 |
835.8 |
9.7 |
16 |
952.5 |
20 |
48 |
167 |
|
30″ |
1120 |
6 |
23 |
862.3 |
908 |
134.2 |
931.9 |
17.5 |
16 |
1039.8 |
32 |
45 |
303 |
API 6A Type 6BX 2000 PSI Blind & Weld Neck Flanges Pressure Rating
| API Flange Type | Pressure Rating | Pressure Rating (MPa) | Material | Connection Type | Standards |
| API 6A Type 6BX | 2000 PSI | 13.8 MPa | Carbon Steel, Stainless Steel | RTJ | ASME, ANSI, DIN |
| API 6A Type 6BX | 2000 PSI | 20.7 MPa | Carbon Steel, Stainless Steel | RTJ | ASME, ANSI, DIN |
API 6A Type 6BX 2000 PSI Blind & Weld Flanges Grades
| Grade | Material | Pressure Rating (PSI) | Pressure Rating (MPa) | Connection Type | Standards |
| API 6A Type 6BX | Carbon Steel | 2000 | 13.8 | RTJ | ASME, ANSI, DIN |
| API 6A Type 6BX | Stainless Steel | 2000 | 20.7 | RTJ | ASME, ANSI, DIN |
API 6A Type 6BX 2000 PSI Blind & Weld Neck Flanges Specification
| Description | Flange | ||||
| Material | Carbon Steel | ASTM A105 ,ASTM A234, ASTM A106, P250GH, P280GHM 16MN, 20MN ,20# | |||
| Alloy Steel | ASTM A182 F1,F5,F7,F9,F11,F12,F22; Hastelloy C276; Inconel 600; Inconel 625; Inconel718; Inconel X750 ; Inconel 800; S31254 ; Monel 400 ; Monel K500 ; 16Mo3 | ||||
| Steels For Low Temperature Service | ASTM A350 LF1, LF2, LF3,LF4,LF6,LF8 | ||||
| Stainless teel | ASTM A240 ,ASTM A182, F304/304H/304L, F316/316H/316L,F321/321H,F347/347H,F348 | ||||
| Duplex Stainless Steel | ASTM A182 F51/F53/F55/F60; UNS S32550(UR52N+);S32750(SAF 2507); S32760(Zeron 100) | ||||
| Standard | ASME/ANSI | Class 150 Class 300 Class 400 Class 600 Class 900 Class1500 Class 2500 | |||
| DIN | 6Bar 10Bar 16Bar 25Bar 40Bar | ||||
| JIS | 5K 10K 16K 20K 30K | ||||
| UNI | 6Bar 10Bar 16Bar 25Bar 40Bar | ||||
| AS | Table1 Table2 TableC TableD TableE TableF TableH | ||||
| KS | 5K 10K 16K 20K 30K | ||||
| BS/EN | 6Bar 10Bar 16Bar 25Bar 40Bar 63Bar | ||||
| SABS | 1000-3 1600-3 2500-3 | ||||
| GOST | 6Bar 10Bar 16Bar 25Bar 40Bar 63Bar | ||||
| Size | DN10-DN3600 ; 1/2″~24″ ; 26″~60″ | ||||
| Type | Flat flange; Slip on Flange; Welding neck Flange ; Socket welding;
Lap joint flange ; Threaded flange; Blind flange; Spectacle blind ; Tube sheet |
||||
| Technical | Forged, Steel Plate,Rolling | ||||
| Surfaces | Anti-rust oil ; paint ; hot dip galvanized ; electric galvanized ; Electroless nickel | ||||
| Heat treatment | Normalizing, Tempering, Annealing, Quenching and Tempering, solution treatmentmAging treatment | ||||
| Certificate | We can provide CE PED97/23/EC ; ISO9001:2008 ; American bureau of shipping (ABS) ; det norske veritas (DNV) ; bureau veritas (BV) ;Germany Lloyd’s register (GL) ; the United Kingdom Lloyd’s register (LR) certification. | ||||
| Package | Wooden pallets/Smoked wooden cases, Air Bubble Film,Vacuum packaging, sealing surface with plastic special protective seal, or according to the customers’ requirements | ||||
| Lead Time | Within 30days for quantity of 2000tons | ||||
| Terms | EXW, FOB, CIF, C&F | ||||
| Port of Loading | Shanghai/Tianjin Port | ||||
Applications of API 6A Type 6BX 2000 PSI Blind & Weld Neck Flanges
API 6A Type 6BX 2000 PSI Blind Flanges from Kalpataru Piping Solution are ideal for high-pressure applications across industries:
- Oil & Gas: Seal piping systems in upstream, midstream, and downstream operations, ensuring safety and preventing leaks.
- Pressure Testing: Essential for testing pipelines and vessels under high pressure, detecting leaks, and maintaining system integrity.
- Petrochemical Plants: Manage chemical flow securely in high-pressure environments, enhancing safety in processing.
- Refineries: Seal pipeline sections during maintenance, ensuring safe operation in high-temperature settings.
- Marine & Offshore: Critical for sealing high-pressure systems in harsh marine environments.
FAQs
What is the 6B flange?
A 6B flange is a type of flange designed according to API 6A standards for use in high-pressure oil and gas applications.
What is the difference between API and ASME ANSI flanges?
API flanges: Specialized for oil and gas, designed for high pressures and temperatures per API standards. ASME ANSI flanges: Versatile, used in manufacturing, power, and petrochemicals, meeting diverse engineering needs under ASME and ANSI standards.
What materials are in API 6A flange?
API 6A flanges are commonly made from materials such as carbon steel, stainless steel, and alloy steel, depending on the specific application and pressure requirements.
